PIC[3] PICKit3
概要
PICKitを使った書込で色々トラブったのでここに書いておきます。
書込モード
PICの書込みには、**低電圧モード(LVP)と高電圧モード(HVP)**の2種類があります。
LVPは専用ピン操作だけで書き込みができ、回路構成が簡単です。
一方HVPは、MCLRに約12Vの書込み電圧(VPP)を印加して行う方式で、周辺回路が必要になりますが、確実に書き込みが可能です。代表的な安価の書込み器としてPICkit3があり、USB接続でPICにプログラムを書き込み、主にHVP方式で動作します。
また、Raspberry Pi(ラズパイ)からGPIOを使ってLVPで直接書き込む方法もあり、簡易な検証や量産時の治具用途などに利用できます。一度、LVPをOFFで書き込むと、高電圧モードしか使えなくなります。なので、やはり、書込器は一つは持っておいたほうがいいですね。
MAPLAB X IPE
MPLAB X IPEは、PICkit3などを使ってHEXファイルの書き込み・消去・ベリファイを行う書込み専用ツールです。
PICkit3の接続
IPE上のOPERATE画面でDevice を正しく設定し、Tool:に PICkit3が出ていればIPEに認識されています。そこから、Connect を押したときに、
*****************************************************
Connecting to MPLAB PICkit 3...
Currently loaded firmware on PICkit 3
Firmware Suite Version.....01.56.07
Firmware type..............Enhanced Midrange
Programmer to target power is enabled - VDD = 3.600000 volts.
Target device PIC12LF1822 found.
Device Revision ID = 9
*****************************************************
こうならずに、
*****************************************************
Connection Failed.
と出るならそれはPICと接続できていません。PICとの配線が正しいのなら、PICkit3を接続しているUSBの電流が足りないのかもしれません。HUBを通したりするとだめになりやすいです。できれば電源付きのUSBHUBがいいと思います。
PIC用電源
PICKIt3は書込時にPIC駆動用にVDDを出すことができます。電圧も自由に設定できます。上記ではIPEでの書込を書きましたが、実はX IDEからでも書き込みができます。プロジェクトを選択した状態で、右クリックすると、一番下の propaties を選択します。そして出てきたウインドのCategories の PICkit3を選択します。そこの Option categories を Power にします。Power target circuit from PICkit3 にチェックを入れるとVDDが供給されます。Voltage Level でVDD電圧を変えることができます。

外部電源を使うときは、Power target circuit from PICkit3 のチェックを外してください。電圧が衝突します。
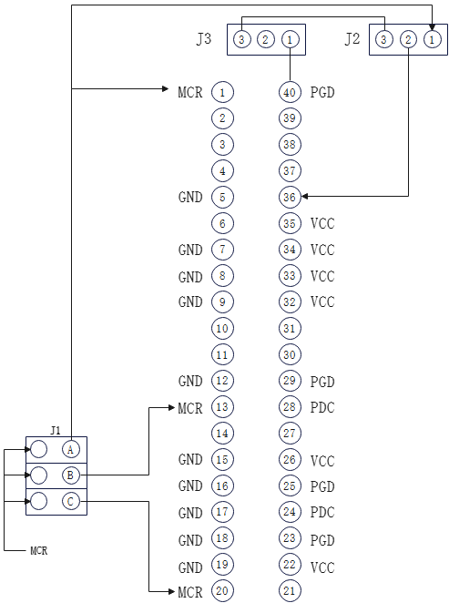
付属のICソケット
PICKit3 にはICソケットが付属されているものがあります。

配線を調べてみました。

ほとんどこれ使えないと思う。なので、12F1822専用ですが書込ソケットを作りました。


